Lắp bồn cầu treo tường không còn khó khăn với hướng dẫn chi tiết từ Himic. Bài viết này cung cấp đầy đủ các bước chuẩn bị, lắp đặt, kiểm tra, đảm bảo bạn thực hiện thành công và đúng kỹ thuật. Tham khảo ngay!
Trước khi bắt tay vào lắp đặt bồn cầu treo tường, việc chuẩn bị kỹ lưỡng là vô cùng quan trọng. Điều này không chỉ giúp quá trình thi công diễn ra suôn sẻ mà còn đảm bảo bồn cầu hoạt động hiệu quả và bền bỉ.

Để lắp đặt bồn cầu treo tường, bạn cần chuẩn bị đầy đủ các dụng cụ lắp đặt sau: máy khoan, tua vít, cờ lê, búa, thước đo, bút đánh dấu, kìm, li vo, dao, và cưa.
Bên cạnh đó, các vật liệu không thể thiếu bao gồm: bộ bồn cầu treo (bao gồm bệ xí, két nước âm tường, van xả, ống cấp và thoát nước), keo silicone, băng keo chống thấm, gioăng cao su, tắc kê, bulong, và ốc vít.
Kiểm tra bộ sản phẩm và bản vẽ kỹ thuật: Kiểm tra xem các phụ kiện trong hộp có đầy đủ không. Đọc kỹ hướng dẫn lắp đặt.
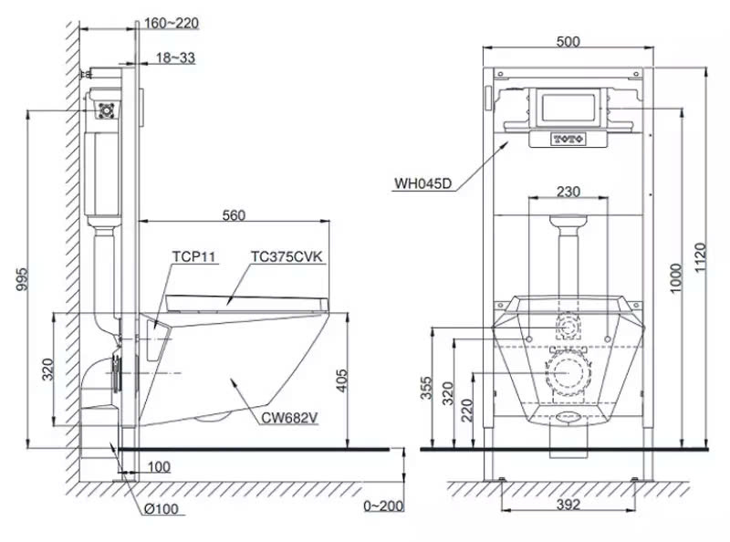
Khoảng cách từ sàn đến bồn cầu thường từ 38-51 cm, tùy thuộc vào chiều cao người sử dụng. Đảm bảo đủ không gian xung quanh bồn cầu để thuận tiện sử dụng và vệ sinh.

Xác định chính xác vị trí tâm xả từ tường ra, thường khoảng 55-115mm. Việc này rất quan trọng để đảm bảo ống thoát nước được lắp đặt đúng vị trí, tránh tình trạng tắc nghẽn sau này. Kiểm tra đường ống cấp nước và thoát nước hiện có, đảm bảo chúng ở vị trí phù hợp và không bị hư hỏng.
Đây là phần quan trọng nhất, hướng dẫn chi tiết từng bước lắp đặt bồn cầu treo tường. Hãy thực hiện cẩn thận và theo đúng trình tự.
Đầu tiên, xác định vị trí các lỗ bắt vít trên khung giá đỡ. Sử dụng máy khoan để khoan lỗ trên tường tại các vị trí đã đánh dấu. Đảm bảo độ sâu và kích thước lỗ khoan phù hợp với tắc kê. Cố định tắc kê vào các lỗ khoan.
Sau đó, đưa khung giá đỡ vào vị trí, căn chỉnh sao cho các lỗ bắt vít trên khung trùng với các lỗ khoan trên tường. Sử dụng bulong và ốc vít để cố định khung giá đỡ vào tường.
Cuối cùng, kiểm tra độ cân bằng và chắc chắn của khung giá đỡ bằng li vo.
Két nước âm tường thường được lắp đặt bên trong tường, giúp tiết kiệm diện tích và tăng tính thẩm mỹ. Kết nối dây cấp nước vào van cấp nước trên két nước. Gắn đầu dây cấp nước còn lại vào nguồn nước cấp. Sử dụng kẹp ống để siết chặt các mối nối, tránh rò rỉ. Tiếp theo, lắp đặt ống dẫn khí vào van xả trên két nước và lỗ thoát khí trên hệ thống thoát nước thải.

Lắp đặt két nước âm tường
Đo khoảng cách từ vị trí kết nối trên bệ xí đến vị trí kết nối trên ống thoát nước thải. Cắt ống tiếp nối theo chiều dài đã đo, cộng thêm khoảng 10-15cm để dự phòng.
Bôi keo silicone vào đầu rìa cắt của ống tiếp nối. Cẩn thận lắp ống tiếp nối vào vị trí kết nối trên bệ xí và ống thoát nước thải, đảm bảo kết nối chắc chắn và kín khít.

Sơ đồ lắp đặt bồn cầu treo tường
Đặt bệ xí lên giá đỡ, căn chỉnh sao cho các lỗ bắt vít trên bệ xí trùng với các lỗ bắt vít trên giá đỡ. Sử dụng li vo để kiểm tra độ cân bằng. Luồn bulong qua các lỗ bắt vít và siết chặt bằng đai ốc và cờ lê. Đặt nắp bệ xí lên và ấn nhẹ để cố định.
Kết nối dây điện từ nút nhấn đến két nước âm tường theo hướng dẫn của nhà sản xuất. Lắp đặt nút nhấn vào vị trí đã xác định. Mở van nước cấp và xả nước để kiểm tra hoạt động.
Sau khi hoàn tất lắp đặt, việc kiểm tra là bước không thể bỏ qua.
Mở van cấp nước và xả nước nhiều lần. Quan sát kỹ các mối nối, đặc biệt là vị trí gioăng cao su, xem có bị rò rỉ nước hay không. Nếu phát hiện rò rỉ, hãy siết chặt các mối nối hoặc sử dụng thêm keo silicone hoặc băng keo chống thấm.
Xả nước nhiều lần để đảm bảo hệ thống xả hoạt động trơn tru. Nước xả phải mạnh và đều, không bị tắc nghẽn. Nếu có vấn đề, hãy kiểm tra lại van xả và phao nước.
Đảm bảo bồn cầu được gắn chắc chắn vào giá đỡ và không bị lắc lư. Sử dụng li vo để kiểm tra độ cân bằng. Nếu cần, hãy điều chỉnh lại vị trí lắp đặt hoặc siết chặt các bulong cố định.
Để đảm bảo bồn cầu treo tường hoạt động bền bỉ và an toàn, hãy lưu ý những điều sau:
Một số lỗi thường gặp bao gồm: kích thước không phù hợp (do không đo đạc kỹ), không gắn hết vít cố định (gây chênh vênh), gắn ốc vít lỏng tay (thiếu ổn định), lắp đặt đường ống thoát quá nhiều khớp nối (gây tắc nghẽn), lắp đặt đường ống chờ sai kích thước (gây rò rỉ), không làm sạch đường ống (gây tắc), sử dụng quá nhiều xi măng (gây tắc), không sử dụng ống thông hơi (giảm hiệu quả xả).
Để khắc phục, hãy tuân thủ hướng dẫn, đo đạc chính xác và sử dụng vật liệu phù hợp. Nếu không tự tin, hãy nhờ thợ chuyên nghiệp.
Vệ sinh bồn cầu thường xuyên bằng các chất tẩy rửa nhẹ, tránh hóa chất mạnh có thể làm hỏng lớp men. Kiểm tra định kỳ các mối nối và khung bồn cầu để đảm bảo chúng không bị lỏng lẻo.
Nếu gặp sự cố rò rỉ nước nghiêm trọng, tắc nghẽn không thể tự xử lý, hoặc các vấn đề phức tạp khác, hãy liên hệ ngay với thợ sửa chữa chuyên nghiệp để được hỗ trợ kịp thời.
Bồn cầu treo tường ngày càng được ưa chuộng bởi những ưu điểm vượt trội.
Hy vọng hướng dẫn chi tiết trên của Himic.vn sẽ giúp bạn tự tin lắp đặt bồn cầu treo tường thành công. Nếu có bất kỳ thắc mắc nào, đừng ngần ngại để lại bình luận hoặc chia sẻ bài viết này. Hãy truy cập https://Himic.vn để khám phá thêm nhiều kiến thức hữu ích khác!